FC型防塵圈
FC型防塵圈是一種雙唇防塵密封,既可防塵又可封油,它廣泛用于油缸和氣缸,它的主要材料是邵爾90度聚氨脂,設計時可參照GB/T10708.3-2000標準。
工況條件:
工作溫度:-35~+100℃;
工作介質:液壓油(礦物油基);
往復速度:≤1.2m/s。

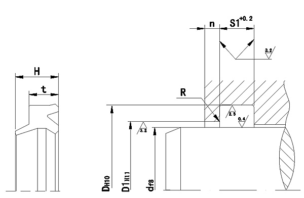
| 規格及溝槽尺寸 | ||||||||
| 訂貨號 | d | D | H | t-0.4 | S1 | D1 | n | R |
| FC-121806 | 12 | 18 | 6 | 4 | 4 | 14.5 | 2.5 | 0.5 |
| FC-142006 | 14 | 20 | 16.5 | |||||
| FC-182406 | 18 | 24 | 20.5 | |||||
| FC-222806 | 22 | 28 | 24.5 | |||||
| FC-283675 | 28 | 36 | 7.5 | 5 | 5 | 31 | ||
| FC-364475 | 36 | 44 | 39 | |||||
| FC-455375 | 45 | 53 | 48 | |||||
| FC-505875 | 50 | 58 | 53 | |||||
| FC-556585 | 55 | 65 | 8.5 | 6 | 6 | 58 | 3 | |
| FC-566685 | 56 | 66 | 59 | |||||
| FC-607085 | 60 | 70 | 63 | 0.8 | ||||
| FC-637385 | 63 | 73 | 66 | |||||
| FC-708085 | 70 | 80 | 73 | |||||
| FC-809085 | 80 | 90 | 83 | |||||
| FC-9010085 | 90 | 100 | 93 | |||||
| FC-10011512 | 100 | 115 | 12 | 8.5 | 8.5 | 104 | ||
| FC-11012512 | 110 | 125 | 114 | |||||
| FC-12514012 | 125 | 140 | 129 | |||||
| FC-14015512 | 140 | 155 | 144 | |||||
| FC-16017512 | 160 | 175 | 164 | |||||
| FC-18019512 | 180 | 195 | 184 | |||||
