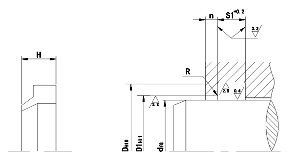
FJ型防塵圈
FJ型防塵圈用于防止污染物混入液壓系統和密封系統,主要材料有丁晴橡膠NBR和氟膠FKM,設計選用時可參照HG4-332-66標準。
工況條件:
工作溫度:丁晴橡膠NBR:-30~+120℃;
氟膠FKM:-20~+200℃;
工作介質:液壓油、乳化液、水;
往復速度:≤1m/s。

| 規格及溝槽尺寸 | |||||||
| 訂貨號 | d | D | H | D1 | S1 | n | R |
| FJ081808 | 8 | 18 | 8 | 13 | 4 | 2.5 | 1 |
| FJ102008 | 10 | 20 | 8 | 15 | 4 | 2.5 | |
| FJ122208 | 12 | 22 | 8 | 17 | 4 | 2.5 | |
| FJ142408 | 14 | 24 | 8 | 19 | 4 | 2.5 | |
| FJ162608 | 16 | 26 | 8 | 21 | 4 | 2.5 | |
| FJ182808 | 18 | 28 | 8 | 23 | 4 | 2.5 | |
| FJ203210 | 20 | 32 | 10 | 26 | 5 | 3 | |
| FJ223410 | 22 | 34 | 10 | 28 | 5 | 3 | |
| FJ253710 | 25 | 37 | 10 | 31 | 5 | 3 | |
| FJ284010 | 28 | 40 | 10 | 34 | 5 | 3 | |
| FJ304210 | 30 | 42 | 10 | 36 | 5 | 3 | |
| FJ324410 | 32 | 44 | 10 | 38 | 5 | 3 | |
| FJ354710 | 35 | 47 | 10 | 41 | 5 | 3 | |
| FJ405210 | 40 | 52 | 10 | 46 | 5 | 3 | |
| FJ455710 | 45 | 57 | 10 | 51 | 5 | 3 | |
| FJ506210 | 50 | 62 | 10 | 56 | 5 | 3 | |
| FJ556912 | 55 | 69 | 12 | 62 | 6 | 3.5 | |
| FJ607412 | 60 | 74 | 12 | 67 | 6 | 3.5 | |
| FJ637712 | 63 | 77 | 12 | 70 | 6 | 3.5 | |
| FJ657912 | 65 | 79 | 12 | 72 | 6 | 3.5 | |
| FJ708412 | 70 | 84 | 12 | 77 | 6 | 3.5 | |
| FJ758912 | 75 | 89 | 12 | 82 | 6 | 3.5 | |
| FJ809412 | 80 | 94 | 12 | 87 | 6 | 3.5 | |
| FJ859912 | 85 | 99 | 12 | 92 | 6 | 3.5 | |
| FJ9010412 | 90 | 104 | 12 | 97 | 6 | 3.5 | |
| FJ9510912 | 95 | 109 | 12 | 102 | 6 | 3.5 | |
| FJ10011412 | 100 | 114 | 12 | 107 | 6 | 3.5 | |
| FJ10512114 | 105 | 121 | 14 | 113 | 7 | 4 | |
| FJ11012614 | 110 | 126 | 14 | 118 | 7 | 4 | |
| FJ11513114 | 115 | 131 | 14 | 123 | 7 | 4 | |
| FJ12013614 | 120 | 136 | 14 | 128 | 7 | 4 | 1.5 |
| FJ12514114 | 125 | 141 | 14 | 133 | 7 | 4 | |
| FJ13014614 | 130 | 146 | 14 | 138 | 7 | 4 | |
| FJ14016014 | 140 | 160 | 14 | 148 | 7 | 4 | |
| FJ14516514 | 145 | 165 | 14 | 153 | 7 | 4 | |
| FJ15017014 | 150 | 170 | 14 | 158 | 7 | 4 | |
| FJ15517514 | 155 | 175 | 14 | 163 | 7 | 4 | |
| FJ16018014 | 160 | 180 | 14 | 168 | 7 | 4 | |
| FJ16518514 | 165 | 185 | 14 | 173 | 7 | 4 | 3 |
| FJ17019014 | 170 | 190 | 14 | 178 | 7 | 4 | |
| FJ17519514 | 175 | 195 | 14 | 183 | 7 | 4 | |
| FJ18020014 | 180 | 200 | 14 | 188 | 7 | 4 | |
| FJ18520514 | 185 | 205 | 14 | 193 | 7 | 4 | |
| FJ19021014 | 190 | 210 | 14 | 198 | 7 | 4 | |
| FJ19521514 | 195 | 215 | 14 | 203 | 7 | 4 | |
| FJ20022014 | 200 | 220 | 14 | 208 | 7 | 4 | |
| FJ21023014 | 210 | 230 | 14 | 218 | 7 | 4 | |
| FJ22024014 | 220 | 240 | 14 | 228 | 7 | 4 | |
| FJ23025014 | 230 | 250 | 14 | 238 | 7 | 4 | |
| FJ24026014 | 240 | 260 | 14 | 248 | 7 | 4 | |
| FJ25027014 | 250 | 270 | 14 | 258 | 7 | 4 | |
| FJ26028014 | 260 | 280 | 14 | 268 | 7 | 4 | |
| FJ27029014 | 270 | 290 | 14 | 278 | 7 | 4 | |
| FJ28030014 | 280 | 300 | 14 | 288 | 7 | 4 | |
| FJ29031014 | 290 | 310 | 14 | 298 | 7 | 4 | |
| FJ30032014 | 300 | 320 | 14 | 308 | 7 | 4 | |
| FJ32035020 | 320 | 350 | 20 | 332 | 10 | 5 | |
| FJ32835520 | 325 | 355 | 20 | 337 | 10 | 5 | 3.5 |
| FJ34037020 | 340 | 370 | 20 | 352 | 10 | 5 | |
| FJ36039020 | 360 | 390 | 20 | 372 | 10 | 5 | |
| FJ38041020 | 380 | 410 | 20 | 392 | 10 | 5 | |
| FJ40043020 | 400 | 430 | 20 | 412 | 10 | 5 | |
| FJ41044020 | 410 | 440 | 20 | 422 | 10 | 5 | |
| FJ42045020 | 420 | 450 | 20 | 432 | 10 | 5 | |
| FJ43046020 | 430 | 460 | 20 | 442 | 10 | 5 | |
| FJ45048020 | 450 | 480 | 20 | 462 | 10 | 5 | |
| FJ47050020 | 470 | 500 | 20 | 482 | 10 | 5 | |
| FJ50053020 | 500 | 530 | 20 | 512 | 10 | 5 | |
| FJ53056020 | 530 | 560 | 20 | 542 | 10 | 5 | |
| FJ55058020 | 550 | 580 | 20 | 562 | 10 | 5 | |
| FJ56059020 | 560 | 590 | 20 | 572 | 10 | 5 | |
| FJ58061020 | 580 | 610 | 20 | 592 | 10 | 5 | |
